ICSE-X-Physics
Previous Year Paper year:2019
- #4-d-iWhy is a nuclear fusion reaction called a thermo nuclear reaction?
- #4-d-iiComplete the reaction :
[2]
3 He2 + 2H1→ 4He2 +.......+Energy
- #4-eState two ways to increase the speed of rotation of a DC motor.
[2]
- #5
- #5-aA body of mass 10 kg is kept at a height of 5 m. It is allowed to fall and reach the ground.
- #5-a-iWhat is the total mechanical energy possessed by the body at the height of 2 m assuming it is a frictionless medium?Ans : The total mechanical energy is the total potential energy it possesses before its fall.
E = mgh = 10 × 10 × 5 = 500 J
It is equal to the maximum potential energy E = mgh = 10 × 10 × 5 = 500 J.
- #5-a-iiWhat is the kinetic energy possessed by the body just before hitting the ground? Take
g= 10 m s-2.
[3]
- #5-bA uniform metre scale is in equilibrium as shown in the diagram :

- #5-b-iCalculate the weight of the metre scale.Ans : The weight of the metre scale acts at its centre of gravity i.e., at 50 cm mark.
By the concept of moments, we have
40 × (30 - 5 ) = W × (50 - 30)
or W = (40 × 25)/ 20 = 50 gf
- #5-b-iiWhich of the following options is correct to keep the ruler in equilibrium when 40 gf wt is shifted to 0 cm mark?
F is shifted towards 0 cm or
F is shifted towards 100 cm.
[3]
Ans : F is shifted towards 0 cm.
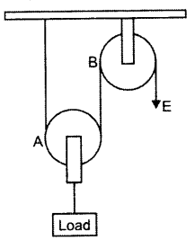
- #5-cThe diagram below shows a pulley arrangement :

- #5-c-iCopy the diagram and mark the direction of tension on each strand of the string.Ans : The direction of tension is as marked.
``\frac { 2x }{ 2 }`` = 2.
The distance travelled by load is half the distance moved by effort = ``\frac { x }{ 2 }``
(iii) T = E.
(iv) The distance travelled by load is half the distance moved by effort = ``\frac { x }{ 2 }`` .
- #5-c-iiWhat is the velocity ratio of the arrangement?
- #5-c-iiiIf the tension acting on the string is T, then what is the relationship between T and effort E?
- #5-c-ivIf the free end of the string moves through a distance x, find the distance by which the
load is raised.