NEET-XII-Physics
exam-1 year:2016
- Qstn #1From a disc of radius R and mass M, a circular hole
of diameter R, whose rim passes through the centre
is cut. What is the moment of inertia of the
remaining part of the disc about a perpendicular
axis, passing through the centre ?
(1) 15 ``MR^2``/32
(2) 13 ``MR^2``/32
(3) 11 ``MR^2``/32
(4) 9 ``MR^2``/32digAnsr: 2Ans : 2
Sol.
R
R
M
ITotal disc =
2MR
2
MRemoved =
M
4
(Mass area)
IRemoved (about same Perpendicular axis)
=
2M (R /2)
4 2
+
2
M R
4 2
=
23MR
32
IRemaing disc = ITotal - IRemoved
=
2MR
2
-
3
32
MR2 =
213 MR
32
- Qstn #2A square loop ABCD carrying a current i, is placed
near and coplanar with a long straight conductor
XY carrying a current I, the net force on the loop
will be :-

(1) ``\frac {2\mu_0 Ii}{3\pi}``
(2)``\frac {\mu_0 Ii}{2\pi}``
(3) ``\frac {2\mu_0 IiL}{3\pi}``
(4)``\frac {\mu_0 IiL}{2\pi}``digAnsr: 1Ans : 1
Sol.
FAB FCD
FBC
FAD
A D
CB
I
L
Li
FAB = iB (Attractive)
FAB = i(L).
0µ I
L
2
2
() =
0µ iI ()
FBC () and FAD () &implies;cancels each other
FCD = iB (Repulsive)
FCD = i(L)
0µ I
3L
2
2
() =
0µ iI
3
()
&implies; Fnet =
0µ iI -
0µ iI
3
=
02µ iI
3
- Qstn #3The magnetic susceptibility is negative for :
(1) diamagnetic material only
(2) paramagnetic material only
(3) ferromagnetic material only
(4) paramagnetic and ferromagnetic materialsdigAnsr: 1Ans : 1
Sol. Magnetic susceptibility =
it is negative for dia-magnetic materials only
PHYSICS
- Qstn #4A siren emitting a sound of frequency 800 Hz
moves away from an observer towards a cliff at a
speed of 15 m/s. Then, the frequency of sound
that the observer hears in the echo reflected from
the cliff is :
(Take velocity of sound in air = 330 m/s)
(1) 765 Hz
(2) 800 Hz
(3) 838 Hz
(4) 885 HzdigAnsr: 3Ans : 3
Sol. Observer Source 15 m/s
••
n= 0s
v
n
v v
n=
330
330 - 15
(800) =
330 800
315
= 838 Hz
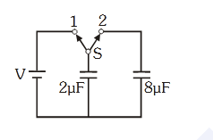
- Qstn #5

A capacitor of 2µF is charged as shown in the
diagram. When the switch S is turned to position
2, the percentage of its stored energy dissipated is:
(1) 0%
(2) 20%
(3) 75%
(4) 80%digAnsr: 4Ans : 4
Sol. Initial energy stored in capacitor 2 µF
Ui = =
2 212(V) V
2
Final voltage after switch 2 is ON
Vf = +
1 1
1 2
C V
C C
=
2V
10
= 0.2 V
Final energy in both the capacitors
Uf = +
2
1 2 f
1
(C C )V
2
=
2
1 2V
10
2 10
= 0.2 V2
So energy dissipated =
2 2
2
V 0.2V
100
V
= 80%
- Qstn #6In a diffraction pattern due to a single slit
of width 'a', the first minimum is observed at
an angle 30° when light of wavelength 5000 Å is
incident on the slit. The first secondary maximum
is observed at an angle of :
(1) ``sin^{-1}(\frac 14)``
(2) ``sin^{-1}(\frac 23)``
(3)``sin^{-1}(\frac 12)``
(4) ``sin^{-1}(\frac 34)``digAnsr: 4Ans : 4
Sol. For first minima, sin30°=
a
=
2
First secondary maxima will be at
sin =
3
2a
=
3 1
2 2 &implies;
=
1 3sin
4
- Qstn #7At what height from the surface of earth the
gravitation potential and the value of g are
-5.4 × ``10^7 J kg^{-2}`` and ``6.0 ms^{-2}`` respectively ?
Take the radius of earth as 6400 km :
(1) 2600 km
(2) 1600 km
(3) 1400 km
(4) 2000 kmdigAnsr: 1Ans : 1
Sol. V =
+
-GM
R h
= -5.4 × 107 ..... (1)
and g =
+ 2
GM
(R h)
= 6 ..... (2)
dividing (1) and (2)
&implies;
=
+
75.4 10
6
(R h)
&implies; R + h = 9000 km so h = 2600 km
- Qstn #8Out of the following options which one can be used
to produce a propagating electromagnetic wave ?
(1) A charge moving at constant velocity
(2) A stationary charge
(3) A chargeless particle
(4) An accelerating chargedigAnsr: 4Ans : 4
Sol. To generate electormagnetic waves we need
accelerating charge particle.
- Qstn #9Two identical charged spheres suspended from a
common point by two massless strings of lengths
l, are initially at a distance d (d << l ) apart because
of their mutual repulsion. The charges begin to leak
from both the spheres at a constant rate. As a result,
the spheres approach each other with a
velocity v. Then v varies as a function of the
distance x between the spheres, as :
(1)V ``\propto `` ``X^{\frac 12}``
(2)V ``\propto `` X
(3)V ``\propto `` ``X^{-\frac 12}``
(4) V ``\propto `` ``X^{-1}``digAnsr: 3Ans : (3)
Sol. tan = e
F
mg
2
2
Kq x
2x mg
=
x
q q
or 3 2x q ..... (1)
or x3/2 q .... (2)
differentiate eq.(i) w.r.t. time
3x2
dx
dt
2q
dq
dt
but
dq
dt
is constant
so x2(v) q replace q from eq. (2)
x2(v) x3/2 or 1/ 2v x
- Qstn #10A uniform rope of length L and mass ``m_1`` hangs
vertically from a rigid support. A block of mass
``m_2`` is attached to the free end of the rope.
A transverse pulse of wavelength ``\lambda_1`` is produced
at the lower end of the rope. The wavelength of
the pulse when it reaches the top of the rope is
``\lambda_2``. The ratio ``\lambda_2``/``\lambda_1`` is :
(1)``\sqrt\frac {m_1}{m_2}``
(2)``\sqrt\frac {m_1 + m_2}{m_2}``
(3)``\sqrt\frac {m_2}{m_1}``
(4)``\sqrt\frac {m_1 + m_2}{m_1}``digAnsr: 2Ans : 2
Sol. T1 = m2g
L
T2
m1
T1
m2
T2 = (m1 + m2)g
Velocity T
T
11
2 2
T
T
=
&implies;
+
=
2 1 2
1 2
m m
m
- Qstn #11A refrigerator works between 4°C and 30°C. It is
required to remove 600 calories of heat every
second in order to keep the temperature of the
refrigerated space constant. The power required is:
(Take 1 cal = 4.2 Joules)
(1) 2.365 W
(2) 23.65 W
(3) 236.5 W
(4) 2365 WdigAnsr: 3Ans : 3
Sol.
2 2
1 2
Q T
W T - T
= = (Where Q2 is heat removed)
&implies;
600 4.2 277
W 303 - 277
=
&implies; W = 236.5 joule
&implies; Power = =
W 236.5 joule
t 1sec = 236.5 watt.
- Qstn #12An air column, closed at one end and open at the
other, resonates with a tuning fork when the
smallest length of the column is 50 cm. The next
larger length of the column resonating with the
same tuning fork is :
(1) 66.7 cm
(2) 100 cm
(3) 150 cm
(4) 200 cmdigAnsr: 3Ans : 3
Sol. First minimum resonating length for closed organ
pipe =
=50cm
4
∴ Next larger length of air column =
=
3
150cm
4
- Qstn #13Consider the junction diode as ideal. The value of
current flowing through AB is :

(1) 0 A
(2) ``10^{-2}`` A
(3) ``10^{-1}`` A
(4) ``10^{-3}`` AdigAnsr: 2Ans : 2
Sol. Since diode is in forward bias
i =
▵
= =
3 3
V 4 (-6) 10
R 1 10 10
= 10-2 A
- Qstn #14The charge flowing through a resistance R varies
with time t as Q = at - ``bt^2``, where a and b are positive
constants. The total heat produced in R is:
(1)``\frac {a^3R}{6b}``
(2)``\frac {a^3R}{3b}``
(3) ``\frac {a^3R}{2b}``
(4)``\frac {a^3R}{b}``digAnsr: 1Ans : 1
Sol. = 2Q at bt
i = a - 2bt { for i = 0 &implies; t =
a
2b
}
From joule's law of heating
dH = i2Rdt
=
a /2b
2
0
H (a 2bt) Rdt
H =
a
3 2b
0
(a 2bt) R
3 2b
=
3a R
6b